
热电偶热电阻安装底座简介
上海自动化仪表三厂生产的热电偶热电阻安装底座或安装凸台,主要用于热电偶热电阻与管道连接。
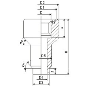
热电偶热电阻安装底座主要技术参数
◆量程范围:0-800℃
◆适用范围:主要适用于热电偶热电阻或其它仪表的安装
◆底座直径:Φ48mm(使用于M27*2的螺纹),Φ54mm(适用于M33*2的螺纹)
◆底座材质:碳钢,不锈钢304,321,316或其它
◆底座高度:一般为60mm
◆安装方式:焊接式
◆底座重量:约0.3-0.5Kg
热电偶热电阻安装底座安装图片
◆热电偶热电阻安装底座
具体的安装数据按着用户的实际需要选用



客服1